Корзина
В вашей корзине больше ничего нет
+375(33)385-00-22
- интернет-магазин
+375(212)68-31-62
- юр. лица и организации
+375(33)344-01-11
- наличие в г.Витебскe
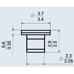
Диоды СВЧ 3А726В
Артикул: 294730
* Уважаемые покупатели!
Цены могут отличаться от указанных на сайте.
Наличие товара и актуальную цену вы можете уточнить у наших менеджеров по номеру телефона +375 (33) 385-00-22
Цены могут отличаться от указанных на сайте.
Наличие товара и актуальную цену вы можете уточнить у наших менеджеров по номеру телефона +375 (33) 385-00-22
Технические характеристики генераторных СВЧ диодов
3А726А, 3А726Б, 3А726В, 3А726Г, 3А726Д, 3А726Е, 3А726Ж, 3А726И, АА726А, АА726Б, АА726В, АА726Г, АА726Д, АА726Е, АА726Ж, АА726И:
Наименование генераторного СВЧ диода | Значения электрических параметров СВЧ диодов | Предельные эксплуатационные характеристики | T ОКР | |||||||||||
---|---|---|---|---|---|---|---|---|---|---|---|---|---|---|
f РАБ | P ВЫХ.МИН | U РАБ | I РАБ | r Д | C Д | C КОР | L Д | U РАБ | I РАБ | P РАС | ΔU | T КОР | ||
ГГц | мВт | В | А | Ом | пФ | пФ | нГн | В | мА | Вт | В | °C | °C | |
3А726А | 12,05…13,5 | >100 | 5,0…8,0 | 0,8…2,0 | 0,3…2,5 | - | <0,45 | <0,25 | 8,5 | - | 17 | 1000 | +85 | -60…+70 |
3А726Б | 13,5…15,0 | >100 | 5,0…8,0 | 0,8…2,0 | 0,3…2,5 | - | <0,45 | <0,25 | 8,5 | - | 17 | 1000 | +85 | -60…+70 |
3А726В | 15,0…16,7 | >100 | 5,0…8,0 | 0,8…2,0 | 0,3…2,5 | - | <0,45 | <0,25 | 8,5 | - | 17 | 1000 | +85 | -60…+70 |
3А726Г | 12,05…13,5 | >200 | 5,0…8,0 | 0,8…2,0 | 0,3…2,5 | - | <0,45 | <0,25 | 8,5 | - | 17 | 1000 | +85 | -60…+70 |
3А726Д | 13,5…15,0 | >200 | 5,0…8,0 | 0,8…2,0 | 0,3…2,5 | - | <0,45 | <0,25 | 8,5 | - | 17 | 1000 | +85 | -60…+70 |
3А726Е | 15,0…16,7 | >200 | 5,0…8,0 | 0,8…2,0 | 0,3…2,5 | - | <0,45 | <0,25 | 8,5 | - | 17 | 1000 | +85 | -60…+70 |
3А726Ж | 16,7…18,0 | >100 | 4,0…8,0 | 0,8…2,0 | 0,3…2,5 | - | <0,45 | <0,25 | 8,5 | - | 17 | 1000 | +85 | -60…+70 |
3А726И | 16,7…18,0 | >200 | 4,0…8,0 | 0,8…2,0 | 0,3…2,5 | - | <0,45 | <0,25 | 8,5 | - | 17 | 1000 | +85 | -60…+70 |
АА726А | 12,05…13,5 | >100 | 5,0…8,0 | 0,8…2,0 | 0,3…2,5 | - | <0,45 | <0,25 | 8,5 | - | 17 | 1000 | +85 | -60…+70 |
АА726Б | 13,5…15,0 | >100 | 5,0…8,0 | 0,8…2,0 | 0,3…2,5 | - | <0,45 | <0,25 | 8,5 | - | 17 | 1000 | +85 | -60…+70 |
АА726В | 15,0…16,7 | >100 | 5,0…8,0 | 0,8…2,0 | 0,3…2,5 | - | <0,45 | <0,25 | 8,5 | - | 17 | 1000 | +85 | -60…+70 |
АА726Г | 12,05…13,5 | >200 | 5,0…8,0 | 0,8…2,0 | 0,3…2,5 | - | <0,45 | <0,25 | 8,5 | - | 17 | 1000 | +85 | -60…+70 |
АА726Д | 13,5…15,0 | >200 | 5,0…8,0 | 0,8…2,0 | 0,3…2,5 | - | <0,45 | <0,25 | 8,5 | - | 17 | 1000 | +85 | -60…+70 |
АА726Е | 15,0…16,7 | >200 | 5,0…8,0 | 0,8…2,0 | 0,3…2,5 | - | <0,45 | <0,25 | 8,5 | - | 17 | 1000 | +85 | -60…+70 |
АА726Ж | 16,7…18,0 | >100 | 4,0…8,0 | 0,8…2,0 | 0,3…2,5 | - | <0,45 | <0,25 | 8,5 | - | 17 | 1000 | +85 | -60…+70 |
АА726И | 16,7…18,0 | >200 | 4,0…8,0 | 0,8…2,0 | 0,3…2,5 | - | <0,45 | <0,25 | 8,5 | - | 17 | 1000 | +85 | -60…+70 |
294730