Корзина
В вашей корзине больше ничего нет
+375(33)385-00-22
- интернет-магазин
+375(212)68-31-62
- юр. лица и организации
+375(33)344-01-11
- наличие в г.Витебскe
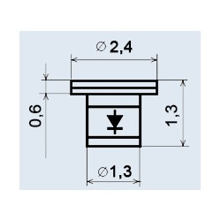
Диоды СВЧ 3А603А Au
Артикул: 294693
* Уважаемые покупатели!
Цены могут отличаться от указанных на сайте.
Наличие товара и актуальную цену вы можете уточнить у наших менеджеров по номеру телефона +375 (33) 385-00-22
Цены могут отличаться от указанных на сайте.
Наличие товара и актуальную цену вы можете уточнить у наших менеджеров по номеру телефона +375 (33) 385-00-22
Технические характеристики умножительных СВЧ диодов
3А603А, 3А603Б, 3А603В, 3А603Г, АА603А, АА603Б, АА603В, АА603Г:
Наименование умножительного СВЧ диода | Значения электрических параметров СВЧ диодов | Предельные эксплуатационные характеристики | T ОКР | |||||||||||
---|---|---|---|---|---|---|---|---|---|---|---|---|---|---|
f ПРЕД | U ПРОБ | I ОБР | r ДИФ | C Д | C КОР | L Д | R Т | U ОБР | P РАС | I ПР | ΔU | T П | ||
ГГц | В | мкА | Ом | пФ | пФ | нГн | °C/Вт | В | Вт | мА | В | °C | °C | |
3А603А | >100 | >20 | <50 | - | 0,5…1,5 | 0,17…0,25 | <1,7 | <100 | 20 | 0,4 | 1,0 | 100 | - | -60…+85 |
3А603Б | >150 | >20 | <50 | - | 0,5…1,2 | 0,17…0,25 | <1,7 | <100 | 20 | 0,4 | 1,0 | 100 | - | -60…+85 |
3А603В | >200 | >10 | <50 | - | 0,5…1,2 | 0,17…0,25 | <1,7 | <100 | 10 | 0,16 | 1,0 | 100 | - | -60…+85 |
3А603Г | >250 | >15 | <50 | - | 0,5…1,2 | 0,17…0,25 | <1,7 | <100 | 15 | 0,25 | 1,0 | 100 | - | -60…+85 |
АА603А | >100 | >20 | <50 | - | 0,5…1,5 | 0,17…0,25 | <1,7 | <100 | 20 | 0,4 | 1,0 | 100 | - | -60…+85 |
АА603Б | >150 | >20 | <50 | - | 0,5…1,2 | 0,17…0,25 | <1,7 | <100 | 20 | 0,4 | 1,0 | 100 | - | -60…+85 |
АА603В | >200 | >10 | <50 | - | 0,5…1,2 | 0,17…0,25 | <1,7 | <100 | 10 | 0,16 | 1,0 | 100 | - | -60…+85 |
АА603Г | >250 | >15 | <50 | - | 0,5…1,2 | 0,17…0,25 | <1,7 | <100 | 15 | 0,25 | 1,0 | 100 | - | -60…+85 |
294693